Enfield Hatz subframe angles

Bodywork, Engine Mounting, Frames, Sub Frames, Forks, Suspension etc..

Moderators: Dan J, Diesel Dave, Crazymanneil, Stuart

Post Reply
Sphere
I luv the smell of Diesel...
Posts: 976
Joined: Sun Dec 30, 2007 7:45 pm
Location: Leiden, Holland
Contact:

Enfield Hatz subframe angles

Post by Sphere »

Until now I have always assumed that the gearbox (side/bottom) in an Enfield is perfectly perpendicular/parallel to the Earth surface, and welding the gearbox plate to the motor mount plate should be done with a 90 degree angle.

Is this in fact true? I would like to go ahead and make the subframe, but I can't really measure it myself since I destroyed bearing races of the front forks :shock:
'92 Enfield + Hatz 1B40: street legal, weld up stainless exhaust, check engine rpm and change final drive sprocket.
User avatar
Diesel Dave
Site Admin
Posts: 1016
Joined: Sat Dec 02, 2006 1:21 am
Location: Essex, UK
Contact:

Re: Enfield Hatz subframe angles

Post by Diesel Dave »

In short the answer is yes!

It can vary according to tyre fitting :D

All the Hatz conversions seem to have the primary casing tilted upwards at the front - I suspect this is because the height of the crankshaft from the bottom of the motor.

Dave
Sphere
I luv the smell of Diesel...
Posts: 976
Joined: Sun Dec 30, 2007 7:45 pm
Location: Leiden, Holland
Contact:

Re: Enfield Hatz subframe angles

Post by Sphere »

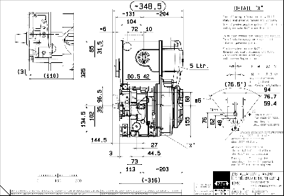
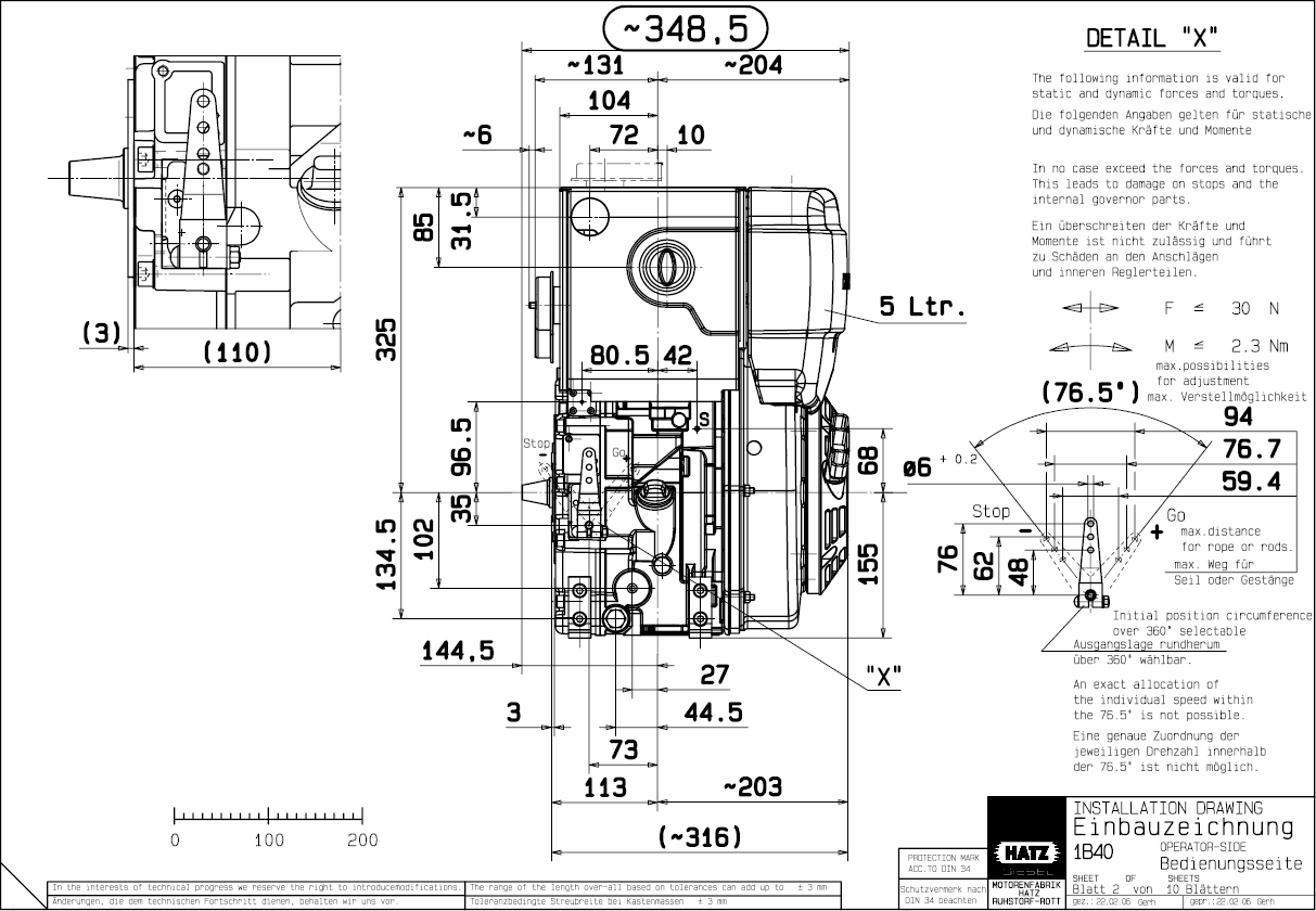
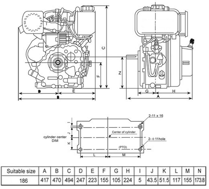
Hrm, strange, I've taken a look at Yanmar vs. Hatz 1B40 drawings, and I thought the height was one of the few traits that was similar. Maybe Altmann also has a tilted case then.

I can't look at the Yanmar drawings now, but for reference I added 1B40 vs. China clone from wiltec.info. Both seem to measure 155mm perpendicular from the baseplate to the centre of the crank.
Attachments
yanmar_clone_dim.png
hatz_1b40_dim.png
'92 Enfield + Hatz 1B40: street legal, weld up stainless exhaust, check engine rpm and change final drive sprocket.
Sphere
I luv the smell of Diesel...
Posts: 976
Joined: Sun Dec 30, 2007 7:45 pm
Location: Leiden, Holland
Contact:

Re: Enfield Hatz subframe angles

Post by Sphere »

Here's some pics of the mockup phase of the subframe. It has been subject to hours of careful coffee sipping and cookie eating with Nanko. OK, well, not hours, but you get the idea. I owe him a great deal of gratitude for offering his excellent workmanship and his amazing in-house shop.
Attachments
subframegbmockuprs.jpg
subframegbmockupls.jpg
subframegbmockuptop.jpg
'92 Enfield + Hatz 1B40: street legal, weld up stainless exhaust, check engine rpm and change final drive sprocket.
Sphere
I luv the smell of Diesel...
Posts: 976
Joined: Sun Dec 30, 2007 7:45 pm
Location: Leiden, Holland
Contact:

Re: Enfield Hatz subframe angles

Post by Sphere »

Here's a picture of the intended position for the headsteady. It is actually a piece from a Honda, don't tell the Enfield purists :D
You can see the front tube has a knack, otherwise the engine would not slide/fit in.
Attachments
headsteady.jpg
'92 Enfield + Hatz 1B40: street legal, weld up stainless exhaust, check engine rpm and change final drive sprocket.
Sphere
I luv the smell of Diesel...
Posts: 976
Joined: Sun Dec 30, 2007 7:45 pm
Location: Leiden, Holland
Contact:

Re: Enfield Hatz subframe angles

Post by Sphere »

Pictures of the finished subframe. At the front it's welded to the downtube, which has been bent outwards slightly and rewelded, then elongated. The engine is mated to an original gearbox, without using a Taurus shaft and it seems fine like that. Negligable tilting to the right, but nothing close to problematic. Perhaps some modification is needed of the foot change lever, but time will tell I guess.

When stood on the centerstand both wheels still touch the ground, I remember the rear wheel clearing it, but maybe I'm mistaken. Again I'm not bothered.
Attachments
Afbeelding 118.jpg
Afbeelding 119.jpg
Afbeelding 117.jpg
'92 Enfield + Hatz 1B40: street legal, weld up stainless exhaust, check engine rpm and change final drive sprocket.
Post Reply